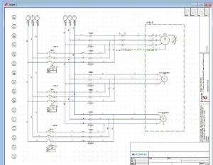
Stromlaufplanerstellung für die Elektrotechnik im Maschinen- und Anlagenbau E³.schematic
E3.schematic ist eine vollständige und offene CAE-Lösung für die Stromlaufplanerstellung in der elektrotechnischen Konstruktion. E3.schematic erlaubt die parallele Entwicklung in verschiedenen Entwicklungsabteilungen.
Die moderne Anwendung basiert auf gemeinsamen Bauteildatenbanken und Symbolbibliotheken und sichert somit eine einheitliche Darstellung der Stromlaufpläne während des gesamten Lebenszyklus des Produktes.
E3.schematic verwaltet alle Daten vom Stromlaufplan bis zum Klemmenplan und alle zugehörigen Dokumente wie Stück- und Verbindungslisten oder Aufbauanleitungen und Datenblätter. Die umfangreichen Grafikfunktionen erlauben eine detaillierte Dokumentation. Dabei besteht die Möglichkeit, grafische Beschreibungen an einzelne Objekte zu binden, die bei Bewegungen, Rotationen oder Spiegelungen mitgeführt werden.
