e3 formboard - manufacturing documentation creation

Documentation de fabrication de faisceaux de câbles

Listes de connexions et informations de dimensionnement pour la production de faisceaux
Menu

E3.formboard

E3.formboard est une solution complète pour créer des schémas de faisceaux de câbles pour la fabrication. Sur n'importe quelle taille de feuille, un ou plusieurs schémas de fabrication peuvent être créés. La fonctionnalité automatique facilite le placement, l'agencement et le dimensionnement du faisceau et de ses segments.

Créer une documentation de fabrication exhaustive

Calcul automatique des longueurs de câbles et diamètres de faisceaux

Tables de connecteurs dynamiques avec informations sur les broches, fils, câbles, signaux, calibres, couleurs et cibles

Contrôle et ajustement des longueurs de câbles

Clients satisfaits

Switching to E3.formboard – and using E3.Routing Bridge and E3.eCheck – is enabling us to be more productive as engineers and more competitive as an OEM of construction vehicles.

Carl WorthingtonPrincipal Electrical Engineer at Mecalac

E3.formboard – Création formboard optimisée

Les conceptions formboard incluent des listes de connexions, serre-câbles, gaines thermorétractables et informations sur le banderolage.
Les longueurs de câble sont automatiquement déterminées et un algorithme de conditionnement calcule le diamètre externe des segments de faisceaux.
Pour s’adapter à la taille du papier, les branches de faisceaux sont tournées autour de n’importe quel point et une fonctionnalité d’impression spéciale permet de réimprimer des sections individuelles.

estimate-harness-costs-featured-img-300x145

e3 formboard - manufacturing documentation creation

Conception formboard autonome

Les connecteurs ajoutés à la fiche du faisceau incluent automatiquement les listes de connexions, tandis que les lignes de connexion ajoutées entre les connecteurs définissent les branches du faisceau.
Les câbles ajoutés aux broches dans les listes de connexions sont automatiquement routés à travers les segments de faisceaux les plus courts ou prédéfinis.

Schématique intégrée et conception formboard

Avec l’intégration de E3.formboard dans E3.cable, les données d’interconnexion logiques définies dans E3.cable sont utilisées directement dans E3.formboard.
Tout changement effectué dans un module est automatiquement reflété dans l’autre.

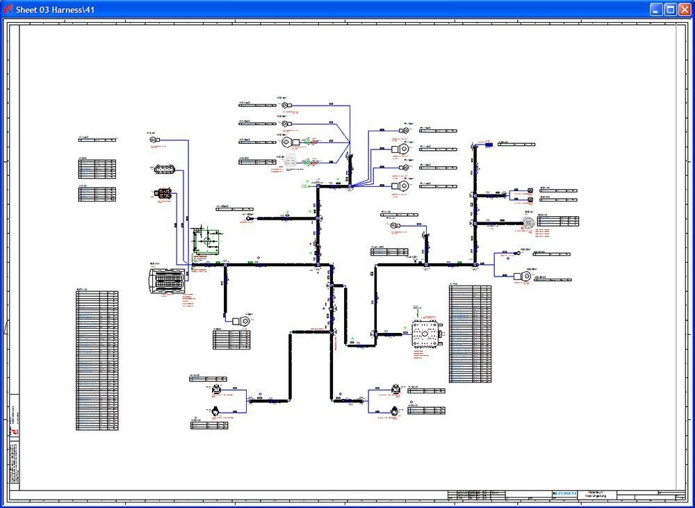
Aperçu de la fonctionnalité d'E3.formboard

E3.formboard fournit une solution complète pour créer des schémas de faisceaux de câbles pour la fabrication.

Les schémas d’E3.formboard fournissent une vue des câbles et faisceaux comme définis dans la représentation schématique. Ils comprennent des composants électriques et non électriques, y compris le placement des connecteurs, les segments de câbles, les revêtements protecteurs, les serre-câbles, les étiquettes, etc.

Les longueurs de câble sont automatiquement déterminées et un algorithme de conditionnement calcule le diamètre externe des segments de faisceaux.
Pour s’adapter à la taille du papier, les branches de faisceaux peuvent être tournées autour de n’importe quel point et une fonctionnalité d’impression spéciale permet de réimprimer des sections individuelles

Des tables de connecteurs dynamiques peuvent être placées dans le schéma pour afficher des informations sur les broches, fils, câbles, signaux, calibres, couleurs et cibles.
Ces tables sont dynamiques, ce qui signifie qu’un câble peut être ajouté à une broche affichée dans la table et connecté à une broche dans une autre table. De plus, Formboard va automatiquement router le câble d’une broche à l’autre via les segments de faisceaux.

Des segments de faisceaux peuvent être mis e évidence lorsque la longueur affichée sur la fiche ne correspond pas à la longueur de fabrication définie pour chaque segment.
Ces segments « hors de proportion » peuvent être automatiquement ajustés pour afficher la longueur de fabrication correcte affectée aux segments du faisceau.

E3.formboard est entièrement intégré à E3.cable.
Les données d’interconnexion logiques définies dans E3.cable sont utilisées directement dans E3.formboard et tout changement effectué dans un module est automatiquement reflété dans l’autre.

Les données de fabrication peuvent être extraites de la conception sous la forme de listes de câbles qui incluent des informations de chemin et de longueur.
Les modules interfacent E3.panel à l’équipement de fabrication tel que les machines de préparation de câbles Komax, et les outils de perçage, de poinçonnage et de coupe Perforex.

Une question ? - Contactez nous

Pour plus d'informations concernant la façon dont Zuken peut vous assister dans votre processus de conception, contactez Zuken dès aujourd'hui.
Prenez contact